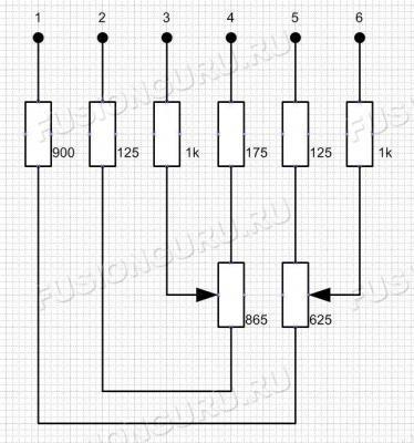
Педаль газа в нашей машинке представляет из себя сдвоенный резистор - потенциометр. Устройство достаточно примитивное. Схема устройства
Монтажная плата педали
Нумерация слева направо
Ползунок и сама педаль
Однако не все так просто. Педалька имеет регулировку и без лишней необходимости ее не стоит разбирать, ибо неотрегулированная педаль может стать причиной аварии. Регулируется не сложно. Ослабленные винты дают возможность регулировать положение резистора относительно ползунка.
Положение №1 - это положение при котором возможно не удастся снизить обороты ниже 2000.
Положение №2 - нормальное положение
Положение №3 - Положение излишнего запаздывания регулирования.
Все эти три положения следует учитывать при регулировании. В первом положение будет моментальный отзыв на педаль, но при этом обороты возможно не будут в режиме ХХ. То есть как бы машина будет постоянно подгазовывать.
В положении 2 педаль установленна с завода (положение регулирования). В этом положении достигается компромисс между временем реакции и удержанием холостого хода.
Положение 3 - это положение запаздывания реакции регулирования. То есть в этом положении будет казаться, что фьюжик задумчиво реагирует на педаль газа.
За счет такой вот корректировки можно отрегулировать время реакции на нажатие педали газа без использования IDS.
Статья